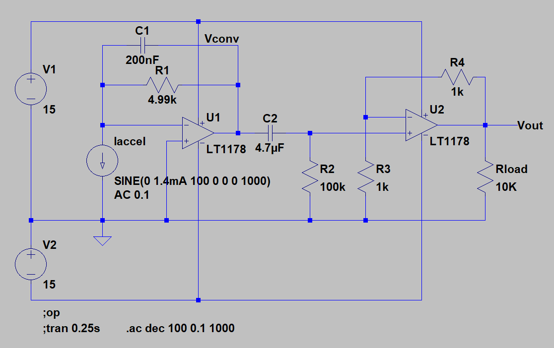
Previous Image Next Image QA1400 Accel Preamp Simulation The preamp design used for the Honeywell QA-1400 accelerometer The preamp design used for the Honeywell QA-1400 accelerometer